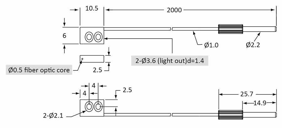
? Fiber Type:Plastic Fiber Optic
? Mini. bending radius:R1
? SD : 90mm

| Model | Thrubeam Plastic Fiber Optic |
|---|---|
| individual fiber diameter | OD=?1.0 , ID=?0.5 |
| SD | 90mm |
| Opera tetemperature | -40℃~+70℃ |
| Mini.bending radius | R1 |
| Light angle | 60° |