? Fiber Type:Plastic Fiber Optic
? SD:0 - 10 mm
? Operate temperature:-55℃~+105℃
? Restricted Reflection

| Model | 耐熱型 反射式 塑膠光纖 |
|---|---|
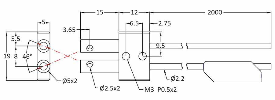
| Fiber diameter | OD=?2.2 , I D=?1.0 |
| SD | 0-10mm |
| Opera tetemperature | -55℃~+105℃ |
| Mini.bending radius | R25 |
| Light angle | 60° |