? Fiber Type:Glass Fiber
? Minimum bending radius:R23
? Wavelength : 380nm ~ 1300nm
_e_size.jpg)
| Model | Reflective Glass Fiber |
|---|---|
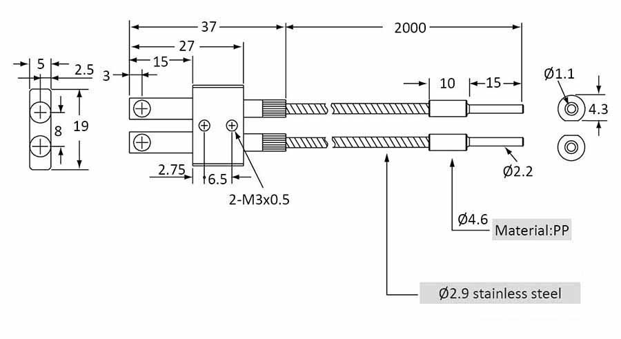
| Fiber diameter | OD=?2.9 ; ID=?1.1 |
| Wavelength | 380nm~1300nm |
| individual fiber diameter | 53μm |
| SD | 0~10mm |
| Opera tetemperature | -40℃~+250℃ |
| Mini.bending radius | R23 |
| Light angle | 60° |